SUNのモニタをPC-AT互換機で利用する

to English
2000/6/18 細かな修正
2000/12/29 設定追加
2001/4/30 引っ越し

研究室にあまっているSUNのモニタがあったのでPCで使えるようにしてみました。
下の写真のような感じです。ついたばっかりなので画面の位置とか少しずれてますけど。

SUNの(比較的古い)純正モニタは固定周波数なので、それ相応の設定でしか動きませんが、
WindowsやXFree86なら結構柔軟に設定できるので、使えると思います。

さらに、このモニタは純正モニタだったので、複合同期信号しか受け付けないみたいです。
よってXORゲートで複合同期信号を生成してみました。モニタの型番はGDM-20D10です。
画面は1280x1024@75Hzです。

材料

関連資料

http://u2.alan.co.jp/%7Ekoba/suncrt/13w3-vga/    かなり詳しくコネクタの結線が載っています
http://www.wakhok.ac.jp/~kanayama/system/sundisplay.html  GDM20E20での接続例
http://home.iae.nl/users/leibbran/sunmon/sunmon.htm useful information. and linked to this page :p

作ったもの

先に作ったものの写真を紹介します。
こんな感じで組み込みました。きつきつー。

ふた閉めて、完成した図です。  

配線図

SUN側のコネクタはちと普通のとは違って13W3とかいう物です。(2000/6/18図をきれいなのに差し替え)

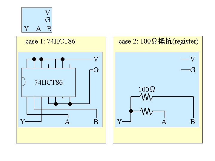
上のブロックの中身は下の通りです。好きな方を選んでください。
選ぶ基準としては、

74HCT86は2入力XORが4つ入っているTTLレベル動作のCMOS-ICです。
最近2つ目を作ったのですが、Millennium2などは5Vが出ていないということがあって、ICを使えないので抵抗2本で複合同期信号を生成させました。規格外になるような気がするけど、この方法の方が一般的らしいです。
 

追加情報(2000/4/15)

本田さんという方から、800x600@DirectXで映す方法はないのかと質問が来まして、
細かく設定できなければ難しいのでは?と答えたのですが、
しばらくしてうまくいったという報告が来ました。
Matroxのビデオドライバは周波数をかなり細かく設定できるようですね。

以下、本田さんからのメールの転載です(転載許諾済み)。  

XFree86での設定方法(2000/6/18)

Windowsでは、最悪手動の場合でもGUIで比較的簡単に設定できますが、
XFree86の場合は結構つらいと思います。なので、設定の例を示しておきます。

XF86ConfigのMonitorセクションの中身は以下の通りです。
(たとえば、Debianの場合は、/etc/X11/XF86Configです)

1152x900の解像度で使用する場合
Section "Monitor"
   Identifier      "Primary Monitor"
   VendorName      "Unknown"
   ModelName       "Unknown"
   HorizSync       31.5-82
   VertRefresh     74-76
  Modeline  "1152x900" 108.00 1152 1186 1314 1504 900 912 915 945
EndSection
1280x1024の解像度で使用する場合
Section "Monitor"
   Identifier      "Primary Monitor"
   VendorName      "Unknown"
   ModelName       "Unknown"
   HorizSync       31.5-82
   VertRefresh     74-76
   Modeline  "1280x1024" 135.00 1280 1328 1472 1684 1024 1027 1030 1064
EndSection

他のビデオカードでの設定(2000/12/29)

Abdul Rahman Rasedinさんより voodoo3 2000 (16M) での設定方法の情報をいただきました(2000/11/11)。
Modelineの部分だけを抜粋します。

Modeline "1024x768" 85 1024 1044 1164 1316 768 780 783 81
Modeline "1152x900" 108 1152 1186 1314 1504 900 912 915 945
Modeline "1280x1024" 110 1280 1340 1524 1716 1024 1025 1028 1054
Modeline "1600x1200" 162 1600 1664 1856 2160 1200 1201 1204 1250

さらに、Kayinさんより GeForce256 DDR-DVIでの設定方法の情報をいただきました(2000/12/29)。
現在はXFree86 4.0.2で使用しておられるようです。
Modelineの部分だけを抜粋します。

Modeline "1600x1200" 162 1600 1664 1856 2160 1200 1201 1204 1250 -hsync -vsync

どうもありがとうございます。